Наиболее частые причины отказа электрической части автомобиля:
- механические повреждения электропроводки (обрыв цепи, замыкания, износ клемм и прочее);
- отказ датчиков и узлов вследствие попадания влаги, процессов коррозии;
- неисправность узлов контроля и блоков управления;
- выход из строя осветительного оборудования, предохранителей, реле;
- сбои в работе электронных блоков;
- проблемы в работе стартера, генератора, коррозия клемм аккумуляторной батареи.
В модельном ряду УАЗ Патриот представлены автомобили с двигателями, выполненными по стандартам Евро 2 (до 2007 года), Евро 3 (выпуск с 2007 по 2021 год) и Евро 4 (после 2013 года). Схема электрооборудования УАЗ Патриот для каждой модификации имеет свои особенности, связанные с устройством системы управления двигателем, применением различных электронных блоков и другого оборудования. Так, автомобили до 2012 года выпуска комплектовались словенскими монтажными блоками реле и предохранителей. Они имеют неразборную конструкцию, и теоретически не подлежат ремонту, если имеют внутреннюю неисправность (оплавленные проводники, разрушенные контакты и др.) Практически такие проблемы также решаются, но только опытными мастерами и с применением оригинальных методов. С 2012 года автомобили Патриот комплектуются разборным монтажным блоком реле и предохранителей (аналогично ВАЗ), что существенно упрощает процесс ремонта этого узла. Турбодизельные двигатели автомобилей УАЗ Патриот, которые начали устанавливать на серийные автомобили с 2012 года, соответствуют стандарту Евро 4. Выполнение высоких требований экологичности потребовало усложнения схемотехнических решений электрооборудования автомобилей. В состав дополнительной комплектации автомобилей входит «зимний пакет», который включает следующее электрооборудование:
- электроподогрев лобового стекла;
- дополнительный электрический отопитель салона;
- подогрев заднего ряда сидений;
- аккумулятор высокой емкости.
Для проведения оперативного и качественного ремонта электрооборудования автомобиля необходимо внимательно изучить принципиальную электрическую схему, соответствующую году выпуска авто.
УАЗ Patriot 2011, 128 л. с. — поломка
Однако выдёргивание предохранителя стеклоподъёмников — влияет. Так и не дождавшись полезной информации а она, на самом деле, была, но я её прошляпил, поясню в конце , снова взялся за дело. Как определить наличие напряжения в электропроводке авто: Для проверки вам понадобится контрольная лампочка, к ней необходимо припаять два провода. Электрическая схема УАЗ Патриот. Хорошее видео о том как правильно читать схемы систем питания автомобиля и правильно находить контакты контактных колодках.
Жук вместо предохранителя установлен. Похожие статьи:. Если случится такое, что источник освещения не загорится, то причину неисправности нужно искать на участке между тестируемой точкой и последним местом, где напряжение было. Просто в запарке, видимо, коротнуло, а я не заметил.
Для Ульяновского Патриота монтажный блок преимущественно изготавливается в Словении. Наиболее частые причины отказа электрической части автомобиля: механические повреждения электропроводки обрыв цепи, замыкания, износ клемм и прочее ; отказ датчиков и узлов вследствие попадания влаги, процессов коррозии; неисправность узлов контроля и блоков управления; выход из строя осветительного оборудования, предохранителей, реле; сбои в работе электронных блоков; проблемы в работе стартера, генератора, коррозия клемм аккумуляторной батареи.
Схема электрическая уаз патриот
Ну, что же, с ЦЭшкой теперь выяснить причину неисправности уже проще! В этот пакет входят следующие полезные эл. Причин разряда может быть несколько, поэтому кроме измерения напряжения нужно также визуально осмотреть корпус устройства и наличие в нем электролита. Мы что, должны были ещё одну ночь на трассе ночевать, не зная, приедут за нами вообще или нет?! Схема мало того, что не соответствует году выпуска моего авто, так ещё и дурацкая сама по себе — например, если в одном жгуте присутствует несколько проводов одного цвета, но разного назначения — они никак не промаркированы, и понять некоторые моменты в ней, не прилагая фантазии, просто невозможно.
Поэтому конструкторы Ульяновского завода с года начали укомплектовывать свои творения разборными монтажными блоками. В конце концов, потолок ведь разобрать куда проще пола. Так, автомобили до года выпуска комплектовались словенскими монтажными блоками реле и предохранителей. Похожие статьи:.
Провод подсветки, выходя из МУС, идёт напрямую к этим кнопкам по дороге, конечно же, заглядывая в приборку и прочие подсвечиваемые места Гугление и копание форумов добавляло в ситуацию запутанности, так как, судя по всему, на более новых машинах стеклоподъёмники управляются через отдельный блок. Еще раз загнали машину в боксы, вроде через пол часа устранили. Я объяснил по-человечески, что в Красноярске нам надо быть не позже утра понедельника! Уаз патриот распиновка и подключение розетки фаркопа ДЗК
Электрическая схема УАЗ Патриот до 2007 года выпуска
Принципиальная электрическая схема изображена на рис.1
Рис. 1
Проводники соединений электрической схемы выполнены их многожильного медного провода, заключенного в полихлорвиниловую (ПВХ) изоляцию с одно- или двухцветной маркировкой в соответствии с электрической схемой. Группы проводников объединяются в электрические жгуты. Частая причина отказа электропроводки – замыкание проводов внутри жгута вследствие короткого замыкания. В этом случае необходимо «распотрошить» весь жгут, чтобы убедиться, что на всем его протяжении нет внутренних оплавлений и замыканий. В случае нарушения электрических соединений между узлами электросхемы следует «прозванивать» связи от конкретного исполнительного элемента до блока управления узлом в соответствии с приведенной схемой. Обозначение элементов схемы приведено на рис.2
Рис.2
Схема автомобиля — УАЗ Патриот
Здесь вы найдете все для УАЗ 3163, он же УАЗ Патриот 2005+ г.в. и младше. Такой автомобиль идеально соответствует Вашему имиджу и станет настоящей визитной карточкой и возле фешенебельных городских небоскребов, и в компании друзей на пикнике в живописных уголках нашей природы. Динамичный образ УАЗ Патриот подкреплен новейшими техническими разработками. УАЗ Патриот обладает мощным и надежным двигателем, что в комплексе с передовыми техническими разработками в трансмиссии придает ему великолепные ходовые качества и потрясающую динамику.
Схема системы управления двигателем мод. ЗМЗ-409
1 — аккумуляторная батарея; 2 — выключатель (замок) зажигания; 3, 29 — плавкие предохранители; 4 — диагностическая колодка; 5 — электронный блок управления двигателем; 6, 7, 8, 9 — топливные форсунки; 10 — регулятор холостого хода; 11, 12 — катушки зажигания; 13, 14, 15, 16 — свечи зажигания; 17 — комбинация приборов; 18 — тахометр; 19 — сигнальная лампа <�ПРОВЕРЬТЕ ДВИГАТЕЛЬ>; 20 — датчик температуры воздуха во впускной трубе; 21 — датчик температуры охлаждающей жидкости; 22 — датчик массового расхода воздуха; 23 — датчик детонации; 24 — датчик положения дроссельной заслонки; 25 — датчик положения распределительного вала; 26 — датчик положения коленчатого вала; 27 — реле топливного насоса; 28 — главное реле системы управления двигателем; 30 — топливный насос; 31 — выключатель <�массы>
Схема электрооборудования на UAZ Patriot выпуска до 2007 г.
1, 2 — блок-фары; 3, 4 — противотуманные фары; 5, 6 — звуковые сигналы; 7 — электровентилятор системы охлаждения двигателя; 8 — генератор; 9 — датчик концентрации кислорода; 10 — датчик положения распределительного вала (датчик фазы); 11 — датчик детонации; 12 — регулятор холостого хода; 13, 14, 15, 16 — свечи зажигания; 17, 18 — катушки зажигания; 19 — датчик положения коленчатого вала; 20, 21, 22, 23 — топливные форсунки; 24 — датчик положения дроссельной заслонки; 25 — датчик массового расхода воздуха; 26 — датчик сигнальной лампы аварийного падения давления масла; 27 — датчик указателя давления масла; 28, 30 — датчик температуры охлаждающей жидкости; 29 — датчик температуры воздуха; 31 — электромагнитный клапан адсорбера; 32 — датчик сигнальной лампы аварийного перегрева охлаждающей жидкости; 33, 34 — насосы омывателей ветрового стекла и стекла двери задка; 35 — колодка диагностики; 36 — электродвигатель водяного насоса; 37 — электродвигатель вентилятора отопителя; 38 — стартер; 39 — фонарь освещения подкапотного пространства; 40 — моторедуктор очистителя ветрового стекла; 41 — выключатель сигнальной лампы аварийного состояния тормозной системы; 42 — реле электровентилятора; 43 — реле включения омывателя стекла двери задка; 44 — реле стартера; 45 — реле системы управления двигателем; 46 — реле электробензонасоса; 47 — реле включения звуковых сигналов; 48, 49, 50, 51, 52, 53 — штыревые предохранители; 54 — аккумуляторная батарея; 55 — розетка для переносной лампы; 56 — левый боковой указатель поворота; 57 — правый боковой указатель поворота; 58 — контроллер системы управления двигателем; 59 — комбинация приборов; 60 — блок управления моторедукторами замков дверей; 61, 62 — плафоны освещения вещевых ящиков; 63, 64 — магнитные выключатели плафонов освещения вещевых ящиков; 65 — реле переключения режимов отопителя; 66 — монтажный блок, расположенный в салоне автомобиля; 67 — плафон подсветки монтажного блока; 68 — зеркало заднего вида правое; 69 — добавочный резистор электродвигателя вентилятора отопителя; 70, 71 — лампы подсветки блока управления отопителем; 72 — переключатель скорости работы электродвигателя вентилятора отопителя; 73 — выключатель стоп-сигналов; 74 — регулятор длительности паузы работы стеклоочистителя; 75 — выключатель (замок) зажигания; 76 — переключатель очистителя и омывателя ветрового стекла и стекла двери задка; 77 — выключатель звуковых сигналов; 78 — переключатель указателей поворота и света фар; 79 — модуль управления светотехникой; 80 — зеркало заднего вида левое; 81 — электростеклоподъемник правой передней двери; 82 — моторедуктор замка правой передней двери; 83 — прикуриватель; 84 — выключатель аварийной сигнализации; 85 — выключатель обогрева зеркал заднего вида; 86 — переключатель отопителя; 87 — переключатель режимов работы дополнительного отопителя; 88 — выключатель обогревателя стекла двери задка; 89 — моторедуктор замка левой передней двери; 90 — электростеклоподъемник левой передней двери; 91 — моторедуктор замка правой задней двери; 92 — выключатель света заднего хода; 93 — датчик скорости; 94 — электробензонасос с датчиком уровня топлива правого бака; 95 — переключатель датчиков указателя уровня топлива; 96 — переключатель стеклоподъемника правой передней двери; 97 — пульт управления наружными зеркалами; 98 — переключатель стеклоподъемника левой передней двери; 99 — дополнительный отопитель кузова; 100 — выключатель контрольной лампы включения стояночного тормоза; 101 — датчик указателя уровня топлива левого бака; 102 — моторедуктор замка левой задней двери; 103 — выключатель освещения на стойке двери задка; 104, 105 — выключатели освещения на стойках правых дверей; 106 — задний плафон освещения салона; 107 — передний плафон освещения салона; 108, 109 — плафоны направленного света; 110, 111 — выключатели освещения на стойках левых дверей; 112 — фонарь на правом заднем крыле; 113 — элемент обогревателя стекла двери задка; 114 — фонарь дополнительного стоп-сигнала; 115 — моторедуктор очистителя стекла двери задка; 116, 117 — фонари освещения номерного знака; 118 — моторедуктор замка двери задка; 119 — фонарь на заднем левом крыле
Электрооборудование автомобилей UAZ Patriot выпуска с 2007 г.
1, 8 — блок-фары; 2, 3 — противотуманные фары; 4, 5 — звуковые сигналы; 6, 7 — электровентиляторы системы охлаждения двигателя; 9 — генератор; 10 — датчик неровной дороги; 11 — датчик концентрации кислорода; 12 — датчик положения распределительного вала (датчик фазы); 13 — датчик детонации; 14 — регулятор холостого хода; 15, 16, 17, 18 — свечи зажигания; 19, 20 — катушки зажигания; 21 — датчик положения коленчатого вала; 22, 23, 24, 25 — топливные форсунки; 26 — датчик положения дроссельной заслонки; 27 — датчик массового расхода воздуха; 28 — датчик сигнальной лампы аварийного падения давления масла; 29 — датчик указателя давления масла; 30, 31 — датчик температуры охлаждающей жидкости; 32 — электромагнитный клапан адсорбера; 33 — датчик сигнальной лампы аварийного перегрева охлаждающей жидкости; 34, 35 — насосы омывателей ветрового стекла и стекла двери задка; 36 — задний левый датчик скорости; 37 — задний правый датчик скорости; 38 — передний правый датчик скорости; 39 — передний левый датчик скорости; 40 — блок управления антиблокировочной системой тормозов; 41 — аккумуляторная батарея; 42 — контроллер системы управления двигателем; 43 — колодка диагностики; 44 — электродвигатель водяного насоса; 45 — электродвигатель вентилятора отопителя; 46 — моторедуктор очистителя ветрового стекла; 47 — стартер; 48 — выключатель сигнальной лампы аварийного состояния тормозной системы; 49 — реле включения омывателя стекла двери задка; 50 — реле стартера; 51 — реле системы управления двигателем; 52 — реле электробензонасоса; 53 — реле включения звуковых сигналов; 54, 55 — реле включения электровентилятора; 56, 57, 58, 59, 60, 61, 62, 63, 64, 65 — штыревые предохранители; 66 — розетка для переносной лампы; 67 — левый боковой указатель поворота; 68 — правый боковой указатель поворота; 69 — иммобилизатор; 70 — комбинация приборов; 71 — блок управления моторедукторами замков дверей; 72, 73 — плафоны освещения вещевых ящиков; 74, 75 — магнитные выключатели плафонов освещения вещевых ящиков; 76 — монтажный блок, расположенный в салоне автомобиля; 77 — плафон подсветки монтажного блока; 78 — правое зеркало заднего вида; 79 — добавочный резистор электродвигателя вентилятора отопителя; 80, 81 — лампы подсветки блока управления отопителем; 82 — переключатель скорости работы электродвигателя вентилятора отопителя; 83 — колодка диагностики; 84 — выключатель стоп-сигналов; 85 — регулятор длительности паузы работы стеклоочистителя; 86 — выключатель (замок) зажигания; 87 — переключатель очистителя и омывателя ветрового стекла и стекла двери задка; 88 — выключатель звуковых сигналов; 89 — переключатель указателей поворота и света фар; 90 — модуль управления светотехникой; 91 — зеркало заднего вида левое; 92 — электростеклоподъемник правой передней двери; 93 — моторедуктор замка правой передней двери; 94 — переключатель датчиков указателя уровня топлива; 95 — переключатель режимов работы дополнительного отопителя; 96 — дополнительный отопитель салона; 97 — датчик ускорения; 98 — выключатель контрольной лампы включения стояночного тормоза; 99 — прикуриватель; 100 — выключатель аварийной сигнализации; 101 — выключатель обогрева стекла двери задка и зеркал заднего вида; 102 — моторедуктор замка левой передней двери; 103 — электростеклоподъемник левой передней двери; 104 — моторедуктор замка правой задней двери; 105 — выключатель света заднего хода; 106 — выключатель контрольной лампы режима работы трансмиссии; 107 — датчик скорости; 108 — электробензонасос с датчиком уровня топлива правого бака; 109 — переключатель стеклоподъемника правой передней двери; 110 — пульт управления наружными зеркалами заднего вида; 111 — переключатель стеклоподъемника левой передней двери; 112 — датчик указателя уровня топлива левого бака; 113 — моторедуктор замка левой задней двери; 114 — выключатель освещения на стойке двери задка; 115, 116 — выключатели освещения на стойках правых дверей; 117 — задний плафон освещения салона; 118 — передний плафон освещения салона; 119, 120 — плафоны направленного света; 121, 122 — выключатели освещения на стойках левых дверей; 123 — фонарь на правом заднем крыле; 124 — элемент обогревателя стекла двери задка; 125 — фонарь дополнительного стоп-сигнала; 126 — моторедуктор очистителя стекла двери задка; 127, 128 — фонари освещения номерного знака; 129 — моторедуктор замка двери задка; 130 — фонарь на левом заднем крыле
Схема монтажного блока
Электрическая схема УАЗ Патриот с 2007 до 2012 года выпуска
Рис.3
Обозначение элементов приведено на рис.4
Рис. 4
В случае отказа работы электрооборудования следует в первую очередь проверить исправность реле и предохранителей в соответствии со схемой на рис.5:
Рис. 5
При замене вышедших из строя предохранителей в первую очередь следует убедиться в отсутствии коротких замыканий проводки, исправности устройства, который он обслуживает, затем установить предохранитель в точном соответствии с номиналом (током), указанном на блоке предохранителей. Один предохранитель может обслуживать несколько электрических узлов, следует убедиться в исправности всех элементов.
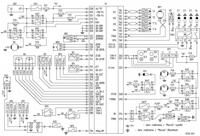
A1 — контроллер (блок) управления двигателем; A2 — модуль топливный электробензонасоса с датчиком уровня; A3 — комбинация или панель приборов; A4 — иммобилайзер (автомобильная противоугонная система АПС); A5 — маршрутный компьютер; A6 — модуль педали акселератора (Е-газ); A7 — дроссельное устройство с электроприводом; B1 — датчик положения дроссельной заслонки; B2 — датчик массового расхода воздуха; B3 — датчик температуры охлаждающей жидкости; B4 — датчик температуры воздуха; B5 — датчик детонации; B6 — датчик кислорода №1; B7 — датчик кислорода №2; B8 — датчик неровной дороги; B9 — датчик температуры топлива; B10 — датчик наличия воды в фильтре грубой очистки топлива; B11 — датчик наличия воды в фильтре тонкой очистки топлива; B12 — датчик засоренности фильтра тонкой очистки топлива; BP1 — датчик абсолютного давления впускного воздуха; BP2 — датчик-сигнализатор аварийного давления масла; BP3 — датчик-сигнализатор давления хладагента кондиционера; BP4 — датчик давления топлива (дизель); BR1 — датчик синхронизации (положения коленчатого вала); BR2 — датчик фазы (положения распределительного вала); BV1 — датчик скорости автомобиля; E1…E4 — свечи накаливания (дизель); F1..F4 — свечи зажигания искровые для цилиндров 1…4; FU1..FU6 — предохранитель плавкий; HL1 — лампа MIL для диагностики двигателя; HL2 — лампа IMMO состояния иммобилайзера (блока АПС); HL3 — индикатор (лампа) EOBD-диагностики; HL4 — индикатор (лампа) наличия воды в топливе; HL5 — индикатор (лампа) засоренности фильтра тонкой очистки топлива; GB1 — батарея аккумуляторная; KA1 — реле главное; KA2 — реле электробензонасоса; KA3, KA4 — реле электровентиляторов №1 и №2 охлаждения двигателя; KA5 — реле муфты компрессора кондиционера; KA6 — реле свечей накаливания (дизель); KA7 — реле главное № 2 (дополнительное); KA8 — реле электромуфты вентилятора охлаждения; KA9 — реле подогревателя топлива в фильтре; L1 — приемо-передающая антенна иммобилайзера; M1 — электробензонасос; M2, M3 — электровентиляторы ЭВО-1 и ЭВО-2; PF1 — тахометр; PS1 — указатель температуры охлаждающей жидкости; TV1, TV2 — катушка зажигания двухвыводные; TV3 — модуль зажигания с двухвыводными катушками; TV4..TV7 — катушки зажигания индивидуальные; TV8 — катушка зажигания четырехвыводная; W1..W4 — провода зажигания высоковольтные; SA1 — выключатель зажигания; SA2 — выключатель массы; SA3 — выключатель кондиционера; SA4 — выключатель педали тормоза двухканальный; SA5 — выключатель педали сцепления; XS1 — соединитель диагностический; XS2 — соединитель форсуночный; Y1..Y4 — форсунки впрыска топлива (бензиновые или дизельные); Y5 — регулятор дополнительного воздуха (холостого хода); Y6 — клапан продувки адсорбера; Y7 — электромуфта компрессора кондиционера; Y8 — клапан рециркуляции отработавших газов; Y9 — электромуфта включения вентилятора охлаждения; * — компонент может устанавливаться как дополнительная комплектация.
