Производим замену радиатора печки на автомобилях Ауди 80 и 100 своими силами
Для того, чтобы автомобильная отопительная система работала в нормальном режиме, необходимо поддерживать рабочее состояние всех ее составляющих узлов и механизмов. Одним из таковых является радиаторное устройство. Если этот элемент выйдет из строя, водитель узнает об этом при первом же включении отопителя. Как производится замена радиатора печки Ауди 80 и в каких случаях она необходима — читайте в этой статье.

Инструкция по замене
Замена радиатора печки Ауди 100 — не особо простая задача, для ее выполнения вам потребуется несколько часов свободного времени и весь необходимый инструментарий. Что касается последнего, то вам понадобится приготовить стандартные слесарные инструменты, включая гаечные ключи, плоскогубцы, отвертки и т.д. Чтобы правильно снять печку отопителя, рекомендуем точно соблюдать все действия, указанные в инструкции (автор видео — канал Мастерская ДЮ).
Последовательность выполнения
Итак, как в домашних условиях заменить устройство:
- Для начала нужно демонтировать сам руль — чтобы сделать это, сначала нужно осторожно снять панель сигнала. Затем необходимо отсоединить провод, который идет к клаксону. Сделав это, выкручиваем гайку, которая фиксирует рулевое колесо, и снимаем его.
- Сняв руль, нужно выкрутить два самореза и произвести демонтаж верхней крышки управляющего блока подрулевых выключателей.
- Выполнив эти действия, нужно будет выкрутить два самореза, при помощи которых фиксируется контрольный щиток. Саму приборку после этого можно демонтировать, а затем отключить от нее два штекера.
- Теперь, при помощи шестигранника, необходимо ослабить винт нижней крышки блока подрулевых выключателей, до него удобнее всего добраться через специальное отверстие. Также нужно отсоединить еще два разъема, а затем произвести демонтаж резиновой заглушки.
- Сделав это, приступаем к демонтажу центральной консоли. Для этого необходимо извлечь автомагнитолу, а также рычаги управления системой отопления. Демонтируя ручки, будьте аккуратны, поскольку есть вероятность их повреждения. Осторожно потяните ручки на себя, если есть необходимость, то воспользуйтесь отверткой. Следует отметить, что под крайними рычажками вы можете увидеть два самореза, вам нужно их выкрутить, после чего вы сможете демонтировать пластиковую накладку. Сделав это, открутите еще несколько болтов, которые фиксируют пепельницу.
- Далее, вам нужно будет демонтировать полку, расположенную в районе ног водителя, а также вещевой ящик, который находится напротив пассажирского сиденья.
- Теперь надо отодвинуть пластмассовую накладку под пепельницей, а затем гаечным ключом выкрутить еще два винта, которые фиксируют среднюю часть центральной консоли. На боковых частях консоли также нужно демонтировать декоративные заглушки и выкрутить несколько винтов.
- Сделав это, следует выкрутить еще одну гайку, которая фиксирует центральную консоль к отопительной системе. Эта гайка расположена со стороны вещевого ящика.
- Со стороны водителя имеется еще один разъем — его нужно отсоединить, после чего вы сможете демонтировать саму консоль, осторожно потянув ее на себя, при этом ее также следует приподнять. Осталось еще несколько разъемов, всех их нужно отсоединить в ходе демонтажа.
- Выполнив все эти действия, приступаем к самому главному — в подкапотном пространстве нужно снять трубки с отопительного узла. В области катушки зажигания имеется гайка, которая навернут на винт с большой шайбой. Эту гайку следует выкрутить, а под ней вы сможете увидеть еще одну — ее также надо открутить.
- Теперь вам надо демонтировать дворник со стороны пассажира. Для этого демонтируйте накладку, которая закрывает фильтрующий элемент, сам фильтр в место с лотком можно демонтировать. Сделав это, выкрутите еще две шпильки, которые фиксируют отопительный узел к кузову автомобиля. Залезьте в салон и оттуда, осторожно покачивая отопитель в разные стороны, потяните его на себя. Произведите демонтаж радиаторного узла и замените его на работоспособное устройство. Дальнейшая процедура сборки осуществляется в обратной последовательности.
Замена Радиатора Печки Ауди 80 Б4 Видео
Операции по снятию рулевого колеса, рулевой колонки и приборной панели
1. Выключите и снимите рулевое колесо 2,4. Удалите два винта, которые крепят верхнюю крышку блока переключателей на рулевой колонке. 3. Выверните два винта, закрепите приборную панель снизу и одновременно аккуратно снимите ее с электронных площадок. Аккуратно положить в безопасное место. 4. Сними подвижные весла
. Потребовалось немного, чтобы открутить винт. и не крутить до конца. доступ через круглое отверстие справа или в верхней части переключателя на рулевой колонке 5. Вытяните рулевую колонку лично и отсоедините две белые электронные колодки справа и слева от вала управления и осторожно извлеките ее из безопасного места. 6. Снимите заглушку Выключатель зажигания Операции по демонтажу центрального тоннеля
1. Снимите заднюю пепельницу и открутите два винта снизу 2,4. В области кнопок стояночного тормоза выньте заглушку и открутите следующий болт 3. Поднимите стояночный тормоз и сдвиньте освобожденную часть туннеля назад. 4. Выверните винт, которым крепится рама ручки коробки передач. 5. Открутите крышку ручки переключения передач и снимите кожаный чехол. Снимите переднюю часть туннеля с рамой Операции по снятию центральной консоли
READ Audi RS6 мощностью 1001 л.с. — идеальный семейный автомобиль со скоростью 207 миль в час (333 км / ч)
1. Используя плоскогубцы через толстый слой плотной бумаги или ткани, снимите ручку, которая контролирует пластину (3 шт.) 2. Открутите винт под левой и правой ручками и снимите пластину с панели управления 3. Под ним мы видим белую коробку, по углам которой есть еще 4 винта, прикрепляем ее к консоли. отвинтить их 4. Откройте пепельницу и открутите головку одним винтом, который крепит прикуриватель к пепельнице.
Как заменить радиатор на Audi B4 cat
5. Снимите прикуриватель и отсоедините его, не забывая о подсветке 6. Снимите пепельницу. Для этого открутите два винта, которые крепят его сверху, и два винта снизу, которые доступны после снятия передней части центрального туннеля. 7. Снимите магнитофон 8. При наличии снимите небольшую полку, расположенную рядом с клавишами центральной консоли. Для этого мы ввернем вас одним винтом вглубь одной полки 9. Я не снял центральную консоль, но открутил 2,7 гайки под торпедой, которые скрепляют трубопровод. Снятие перчаток и полок над ногами водителя
1. Это хорошо, что остается ясно для нашего клиента. Отмечу, что при снятии водительской полки нужно снимать только карбюраторные машины. поглощения. Для этого вам нужно использовать узкую отвертку, чтобы протолкнуть дно отверстия на этой ручке и потянуть его только на себя. Операции по удалению торпеды
READ Замена Подвесного Подшипника Opel Мокка
1. Откройте двери водителя и пассажира на торпедах, снимите две заглушки с каждой стороны 4. Выверните винты, которыми торпеда крепится к корпусу 3. Затем я снял колонны с торпеды. Вы можете даже не найти это полезным 4. Торпеда крепится к туннелю на центральном этаже. дать два болта слева и справа от туннеля 5. В области радио должны быть вставлены один винт и две маленькие гайки слева и справа. они укрепляют каналы к печи Операции выполняются под капотом
1. Переверните 3 монеты большой темной пластиковой подкладки монеткой и поднимите ее. Если вы не против, конечно, уберите также и дворника 3.2. Снимаем салонный фильтр, если есть 3. Открутите две гайки, которыми фильтр крепится к коробке тарелки. Толкаем ленты и подбираем коробку (не теряя прокладки) 4. Отключите 2,7 штифта, прикрепив духовку к корпусу.
Радиатор для Audi 80
5. В зоне катушки зажигания находятся 4,5 больших шайбы. один сверху другого на 15 см ниже. открути их 6. Не замерз антифриз, просто снял патрубок 3.5 с радиатора из незнакомого моторного отсека Поменять пластину радиатора
READ Замена радиатора печки Kia Sportage 2
1. В салоне аккуратно потяните торпеду только на себя. Не нужно применять спецназ, который, конечно, что-то спас, чтобы что-то сломать (мне все равно пришлось отвинчивать разъемы под торпедой от водителя, штук 6) 3.5. Я отказался отстреливать торпеду на сто процентов, вынул ее правый конец еще дальше и вынул саму печь со сборкой воздуховодов. 3. Радиатор самой печи крепится 2 винтами и 2 защелками. Этот открутил и предоставил последнюю печь Сборка обратная.
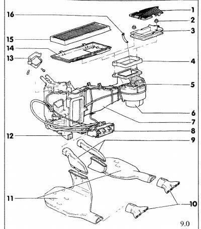
1. Захват листьев листьев 3.5. орех 3.Вазводный вал воздуха 4. Печать 5. Сопротивление 6. Внешний вентилятор 7. Корпус обогревателя 8. Панель управления отопителем 9. Подключение каналов 10. Форсунка переднего ножного вентилятора 11. Канал для обогрева передней части салона 12. Ножная насадка 13. Адаптер для размораживания стеклянного канала 14. Впускной воздушный вал 15. Держа кронштейн
Источник
Замена печки на ауди 80 b4
Здравствуйте дорогие читатели блога andrejgrechuha.ru! Не так давно столкнулся с проблемой на своей машине. Побежала печка в ауди 80 . Тосола литра полтора в салон налилось…Неприятность. Так как надо было ездить, заглушил на время печку, просто сняв патрубки с радиатора печки и соединив их между собой при помощи подходящего отрезка трубы.
Так как мне все равно светила замена печки ауди 80 ,то на выходных решил снять радиатор печки и посмотреть что с ним случилось. И так начнем все по порядку. Для работы мне понадобился небольшой набор инструмента, а вернее торцовый ключ на 8мм и две отвертки с длинным жалом под крест и плоская, головка на 22 с удлинителем и воротком. Я поступил проще, воспользовавшись набором слесарно-монтажного инструмента от Matrix. Хороший я скажу вам набор. Советую. Перед началом работ обязательно снимаем плюсовую клемму с вывода аккумулятора.
Как снять радиатор Ауди 80
Как-то раз заметил, что температура не падает при езде по трассе. Совсем. Открыв капот, немного офигел: ВСЕ было в антифризе. Перло из радиатора и попадало прямо на работающий вентилятор, который успешно распылял горячий антифриз по всему подкапотному пространству. Решил не заморачиваться, а купить новый радиатор. При поездке на рынок был найден алюминиевый на мою машину всего за 45$.
Также было куплено: парочка новых хомутов (патрубки крепить) и антифриз (марку уже не помню, помню что красный G12). Поехали менять (паять и лить герметик сразу не захотел, ибо выброшенные деньги).
1. Сливаем антифриз. По хорошему можно слить, открутив патрубок на помпе, но за отсутствем ямы открутил нижний патрубок на радиаторе и сливал потихоньку.
2. Снимаем радиатор. Для его снятия открутил решетку радиатора, и 2 болта, его самого крепящих. Тонкостей процесса не помню, помню что все просто. Ужасаемся видом старого радиатора: половина сот просто высыпалась, стяжки проржавели. Тем не менее медный и оригинальный
Патрубки – медные, а на новом – пластиковые, зажимать аккуратно.
После установки нового радиатора (не обошлось без сторонних изысков, неоригинал все-таки), получили вот такой результат:
3. Далее заливаем антифриз, пожмякивая большой патрубок от радиатора к тройнику. Залив полностью, ставим авто под уклон передом вверх (у меня удобный такой подъезд к гаражу) и газуем пару раз под 5 тысяч оборотов, доливаем антифриз. Удобно продуманная система, не завоздушивается. Это плюс
- радиатор 45$
- антифриз и дистиллированная вода – 15$
Замена радиатора печки на Audi 80 B3
Потекла печка на моей Ауди 80, надо было что-то делать Но для этого нужно сперва ее снять. Сделать это нелегко, весь день на процедуру ушел.
Пригодился такой инструмент:
- плоскогубцы;
- изолента;
- головка «на 24», большой вороток;
- головка «на 8,10», малый вороток, удлинитель к нему не менее 10 см;
- крестовая отвертка;
- ключ «на 8,10».
Разумеется, нужен и новый радиатор отопителя. Оригинальный радиатор VAG 8D1 819 030 B обойдется в плюс-минус 7000 рублей. Аналоги Meyle 100 819 0002, AVA AI 6097, Behr-Hella 8FH 351 311-421, Nissens 70224, Termal 110224BA и другие. Их стоимость колеблется от 500 до 3500 рублей.

Замена радиатора печки Ауди 80 Б4. Фото, инструкция как поменять радиатор печки в Audi 80 B4
Замена радиатора печки Ауди 80 Б4 требует наличие минимального опыта у автолюбителя в ковырянии «железа» и желание делать что-то своими руками. Стоит отметить, что на СТО замена радиатора печки обошлась бы около 90 долларов или 6000 рублей.
Для работы нам понадобятся:
- гаечный ключ 8 мм и 10 мм;
- трещотка с набором насадок на 20 и 25 мм;
- рожковые ключи 10 мм и 13 мм;
- плоскогубцы;
- крестообразная отвёртка;
- плоская отвертка;
- крестообразная отвертка;
- отвертка звёздочка Т30;
- уплотнитель (поролон) на клейкой основе;
- новый радиатор на печку 893121251G.
Сообщений 1 страница 30 из 45
Поделиться105.10.2010 16:27
- Автор: EXREME57
- Заблокирован
- Откуда: Москва
- Зарегистрирован: 24.06.2010
- Сообщений: 394
- Уважение: [+19/-0]
- Позитив: [+16/-0]
- Пол: Мужской
- Возраст: 40 [1979-12-12]
- ICQ: 382787153
- Предупреждения: 1
Хочу почистить радиатор печки и воздухоотводы,как сделать это,что бы не чего не сломать.Помогите информацией желательно подробной.
Поделиться205.10.2010 17:18
- Автор: Flow
- V-DUB
- Откуда: Выборг
- Зарегистрирован: 18.01.2010
- Сообщений: 1188
- Уважение: [+14/-2]
- Позитив: [+33/-1]
- Пол: Мужской
- Возраст: 33 [1986-08-27]
- ICQ: 418023622
- Награды: glfluder
- Машина: B2/YP/1.6
- Предупреждения: 1
Снимаешь весь низ торпеды там будут отводы. Все легко!Только аккуратно провода. Верх панели не получилось снять т.к. он у меня приклеен, а под ней нужно открутить гайки (точно не знаю панель не снять!) которые держат всю пластмассу в которую вставлен радиатор печки. УДАЧИ.
Поделиться306.10.2010 08:49
- Автор: Ilia
- Активный участник
- Откуда: Москва
- Зарегистрирован: 28.04.2010
- Сообщений: 626
- Уважение: [+6/-0]
- Позитив: [+3/-0]
- Пол: Мужской
- Возраст: 38 [1982-04-30]
- Предупреждения: NaN
Чтобы снять радиатор печки торпеду не нужно трогать вообще. Доступ к нему внизу слева под бардачком. Снимаеш пластмассовую крышку на защелках, сливаеш антифриз, откручиваеш от радиатора 2 патрубка и вытаскиваеш его. Я когда новый ставил, обламался – поставил, а он не греет. Пришлось заново снимать и как оказалось один вход у него внутри был технологически заглушен, проковырял отверткой и все заработало. Так что прежде чем новый ставить надо его проверять.
Поделиться406.10.2010 14:48
- Автор: Dell2dimka
- Участник
- Откуда: Чебоксары
- Зарегистрирован: 18.07.2010
- Сообщений: 77
- Уважение: [+4/-0]
- Позитив: [+0/-0]
- Пол: Мужской
- ICQ: 441659911
один говорит нужно снимать низ торпеды, другой утверждает что ее трогать вообще не надо)) в субботу тоже этой ерундой придется заняться, посмотрим там что да как..
Поделиться506.10.2010 15:49
- Автор: vigost
- Старожил
- Откуда: г.Москва
- Зарегистрирован: 09.04.2010
- Сообщений: 1238
- Уважение: [+22/-3]
- Позитив: [+34/-2]
- Пол: Мужской
- Возраст: 39 [1981-02-01]
- ICQ: 474626661
- Награды: glfluder
- Машина: ауди80мазерати В2 YN1.675л.с. 1979год
один говорит нужно снимать низ торпеды, другой утверждает что ее трогать вообще не надо))в субботу тоже этой ерундой придется заняться, посмотрим там что да как..
ТЫ НЕ СЛУШАЙ НИ КОГО И ПРОСТО САМ РАЗБЕРИ ЕЕ ,СНИМИ БОРОДУ А ТАМ ВСЕ ВИДНО БУДЕТ
Поделиться606.10.2010 17:30
- Автор: mayk
- Активный участник
- Откуда: ташкент
- Зарегистрирован: 12.06.2010
- Сообщений: 804
- Уважение: [+41/-2]
- Позитив: [+4/-0]
- Пол: Мужской
- Возраст: 40 [1979-05-30]
- Предупреждения: 1
если хочешь фотку выложу самой печки и куда установленн радиатор я думаю печку снимать не зачем
Поделиться706.10.2010 19:33
- Автор: Ilia
- Активный участник
- Откуда: Москва
- Зарегистрирован: 28.04.2010
- Сообщений: 626
- Уважение: [+6/-0]
- Позитив: [+3/-0]
- Пол: Мужской
- Возраст: 38 [1982-04-30]
- Предупреждения: NaN
Да ниче там не надо снимать. Почистить радиатор можно за полчаса. Он легко вытаскивается, надо тока патрубки от него отсоединить и антифриз слить. Он там держится крышкой на защелках в торце. Снизу слева со стороны бардачка к нему есть нормальный доступ.
Поделиться806.10.2010 21:11
- Автор: SCH
- Администартер
- Откуда: Омск
- Зарегистрирован: 21.07.2009
- Сообщений: 6578
- Уважение: [+74/-2]
- Позитив: [+50/-0]
- Пол: Мужской
- Возраст: 39 [1981-03-23]
- ICQ: 219880120
- Награды: admin,starosta
- Машина: 1,6SA/1986/red-продана
один говорит нужно снимать низ торпеды, другой утверждает что ее трогать вообще не надо)) в субботу тоже этой ерундой придется заняться, посмотрим там что да как..
Можно бардачок и не откручивать, но со снятым удобнее и лучше видно. Еще там патрубки не совсем удобно снимать/одевать, буквально приходится 2-мя пальцами делать (места мало), поэтому отсутствие бардачка вносит некоторую дополнительную свободу рукам. Да и снять/поставить бардачок – минутное дело.
Поделиться906.10.2010 21:33
- Автор: Алексей
- Активный участник
- Откуда: Владимир
- Зарегистрирован: 26.01.2010
- Сообщений: 492
- Уважение: [+2/-0]
- Позитив: [+3/-1]
- Пол: Мужской
- Возраст: 35 [1984-09-14]
- ICQ: 499030433
Даже бардачок снимать не обязательно!
Поделиться1007.10.2010 10:23
- Автор: SCH
- Администартер
- Откуда: Омск
- Зарегистрирован: 21.07.2009
- Сообщений: 6578
- Уважение: [+74/-2]
- Позитив: [+50/-0]
- Пол: Мужской
- Возраст: 39 [1981-03-23]
- ICQ: 219880120
- Награды: admin,starosta
- Машина: 1,6SA/1986/red-продана
Алексей А у тебя цвет корпуса печки такой черный или это какой-то кожух сверху? У меня там все беленькое, вернее, уже желтенькое. Крышка радиатора печки отсутствует, пришлось проклеивать все чтоб не сифонило.
Поделиться1107.10.2010 20:51
- Автор: Алексей
- Активный участник
- Откуда: Владимир
- Зарегистрирован: 26.01.2010
- Сообщений: 492
- Уважение: [+2/-0]
- Позитив: [+3/-1]
- Пол: Мужской
- Возраст: 35 [1984-09-14]
- ICQ: 499030433
На фото старый радиатор печки, без кожуха, сейчас новый стоит, тоже вроде чёрный!
Поделиться1208.10.2010 10:29
- Автор: SCH
- Администартер
- Откуда: Омск
- Зарегистрирован: 21.07.2009
- Сообщений: 6578
- Уважение: [+74/-2]
- Позитив: [+50/-0]
- Пол: Мужской
- Возраст: 39 [1981-03-23]
- ICQ: 219880120
- Награды: admin,starosta
- Машина: 1,6SA/1986/red-продана
На фото старый радиатор печки, без кожуха, сейчас новый стоит, тоже вроде чёрный!
Да не, я не про радиатор, а про корпус, в котором этот радиатор стоит. Да ладно, собственно это не принципиально, просто думал вдруг у меня какого-нить кожуха еще не хватает.


